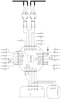
IC ADF7242 based low power transceiver circuit

This low power transceiver circuit project is designed using the ADF7242 fully integrated low-cost, short-range, low power transceiver designed for operation in the global 2.4 GHz ISM band.
The receive path of the ADF7242 low power transceiver circuit is based on a zero-IF architecture enabling high blocking and selectivity performance. The transmit path is based on a direct closed loop VCO modulation scheme.
The ADF7242 has a low consumption power that make it suitable for battery powered systems.
The agile frequency synthesizer of the ADF7242 together with short turnaround times facilitates the implementation of FHSS transmission systems.
The ADF7242 features a flexible dual port RF-interface with support for switched antenna diversity.

The ADF7242 supports IEEE 802.15.4 compliant DSSS-OQPSK modulation with a bitrate of 250 kbps and also supports FSK and GFSK modulation with bitrates from 62.5 kbps to 2 Mbps.
The ADF7242 transceiver is equipped with a 4 wire SPI interface ( SCLK, SO, SI and CSN ).
The ADF7242 transceiver circuit has many features like : programmable data rates and modulation , low power consumption (18 mA (typ.) in receive mode , 22 mA (typ.) in transmit mode (Po = 3 dBm) 1.25μA 32kHz xtal oscillator wake-up mode) , high sensitivity (97 dBm at 250 kbps (IEEE 802.15.4), 93 dBm at 250 kbps (GFSK) , 84 dBm at 2 Mbps (GFSK) ) , programmable output power, integrated voltage regulator (1.8 V to 3.6 V input voltage range) , zero-IF architecture, digital RSSI measurement , 256 bytes for TX /RX buffer , flexible multiple RF port interface , external PA/LNA support hardware , switched antenna diversity support , wake up timer , integrated PLL loop filter , integrated battery monitor , temperature sensor , integrated RC and 32kHz crystal oscillator , flexible SPI control interface and many others .
ADF7242 fully supports arbitrary data rates only for FSK mode of operation.
The ADF7242 also has a built in battery monitor features that has a very low power consumption and may be used in parallel with any mode of operation, except SLEEP state. The battery monitor generates a battery alert interrupt for the MCU when the battery voltage drops below the programmed threshold voltage.IC ADF7242 based low power transceiver circuit